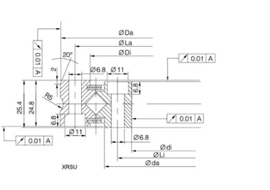
XRSU Cross Roller Bearing
INQUIRE

DETAIL


Product Description
XRU type, because the outer ring and the inner ring has a mounting hole, the installation does not require a fixed flange and support seat. In addition, since the outer ring and the inner ring are integrally formed, the mounting has almost no effect on the performance, so that stable rotation accuracy and torque can be obtained. Applicable to the outer ring and inner ring rotation of the occasion.
20231023171234567.png